Strona główna / Home Page
Informacje / Informations
Wersja polska
English version
Versió en català
Pàgina principal
Notícies
Sobre el projecte
La teoria de l'analema
L'analema en solargrafia
Curiositats
Autors
Česká verze
Hrvatska verzija
Versión española
Księga gości / Guestbook
List of solar analemmas
Maciej gallery
Photography
Touching the space
Astrophotography
Żużel
Others
Statistical Photography
Solarigraphy
Anamorphic
Weathergram
Indoors - wnętrzaki
Solarigraphy Projects
Wpisana we Wrocław
Rok Kopernika w Ossolineum
JHMD
Rendezvous with time
Engraving in time
Astronomical Observatories
Teide Obsevatory
Ondrejov Observatory
Białków Observatory
Academic observatories
Stara Lesna
Pulkovo Observatory
Kanzelhöhe Observatory
Hvar Observatory
HSFA
Upice observatory
Hvězdárna Jičín
Hvězdárna Žebrák
Between Speedway and Sky
Ricany Painted by the Sun
MPK Wrocław
Filmography
Timelapses
Workshop participants gallery
Commercial zone
Bio and contact
Łukasz gallery
Najnowsze
Praca
Zapuszkowany Wrocław
Budowy - rozbiórki
Zabytki
Infrastruktura
In excelsis
Różne
Na gościnnych występach
Wnętrzaki
Aparatowe
O mnie i kontakt
Projekty
Circumnavigation in Time
Q and A
Analemy / Analemmas
SSŚ
Gry / Games
NxN
Solarigraphy Meeting 2021
Solarygrafia / Solargraphy
Set 1 and set 2 cameras.
Systems during operation can be seen in the following movies:
Set 1 in operation
.
Set 2 in operation
.
Set 3 in operation
.
All three sets in operation during noon 1-minute exposition
.
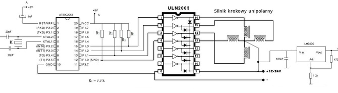
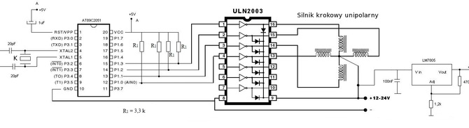
Electronic schemes of the system:
Top view scheme of the set 1 and 2 shutter system. S - step motor, K - solargraphy camera, P - shutter, N - cap with limiter, X - pinhole, O - axis of the step motor, B1 and B2 - shutter limiting rotation locks.
First attempts to record the analemma:
Kreator www
- przetestuj za darmo