Càmeres dels sets 1 i 2.



Els següents clips mostren els sistemes durant les operacions:

Set 1 en funcionament.
Set 2 en funcionament.
Set 3 en funcionament.
Tots tres sets en funcionament durant el migdia, exposició d'un minut de durada.

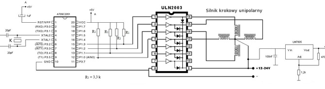
Diagrames electrònics del sistema:
Vista superior del diagrama del sistema d'obturador dels sets 1 i 2. S - motor d'etapes, K - càmera solargràfica, P - obturador, N - tap amb limitador, X - "pinhole", O - eix del motor d'etapes, B1 i B2 - tancaments de limtació de rotació de l'obturador.

Translation: Jordi Vallespir Lladó
Kreator www - przetestuj za darmo